Gás > Cromatógrafos
Analisador GASLAB Q2
Enquanto a medição de energia na rede de distribuição está se tornando cada vez mais importante, a necessidade de analisadores simples e de baixa manutenção está aumentando. O faturamento aos clientes finais precisa ser facilitado e mais preciso. Ao contrário da solução “clássica” de cromatógrafo a gás, o Honeywell Elster® GasLab Q2 não usa gases de calibração misturados e transportadores ou suprimento de ar de combustão, o que significa menor custo de propriedade para o usuário.
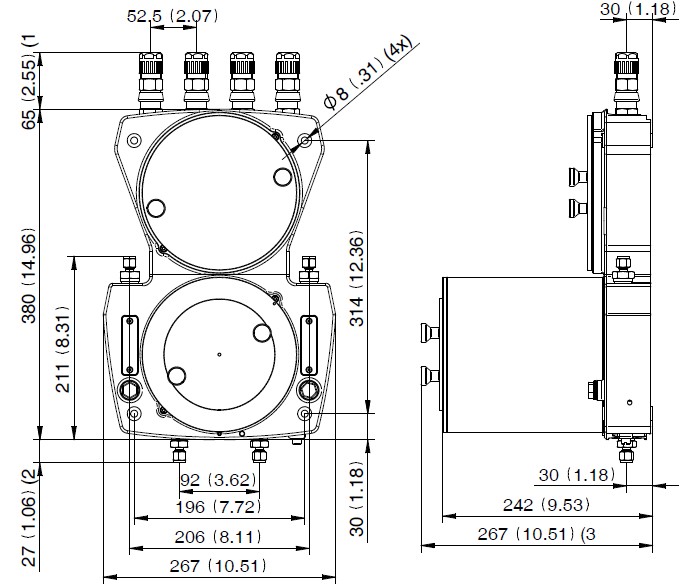
Características Técnicas e Dimensões
Principais características e diferenciais
Principais características:
• Determinação dos principais parâmetros do gás: valor calorífico/índice de Wobbe/densidade/concentração de CO2/número de metano, etc.
• Sem chama, sem necessidade de ar ou gás de arraste
• Medição rápida e contínua
• Operação fácil
• Baixo custo de investimento e manutenção
Aplicações:
• Medição fiscal
• Controle de turbina a gás para usinas de energia
• Controle do queimador
• Biogás
• Mistura de gás
Benefícios:
• Instalação, economia de custos devido à fácil engenharia e comissionamento
• Menos tempo de inatividade para instalações de turbinas a gás
• Controle de turbina com maior eficiência energética devido à resposta rápida
• Menos gás fora das especificações para estações de mistura
• Regulagem do queimador mais limpo
• Emissão otimizada de processos
• Melhor controle de qualidade do produto final
Produtos Relacionados
EK220 - Conversor de Volume
Cromatógrafo de Gás – Linha EnCal 3000
EK205 - Conversor de Volume